Client success case studies

In the competitive landscape of plastic injection molding, the difference between a functional tool and a world-class mold lies in the finishing phase . While rough machining sets the foundation, fin

Summary: Injection mold venting is not just a detail; it's a quality guarantee. From 0.025mm slots to complex insert venting, JST Mold masters the science of air exhaustion. Read our full guide to e

In the global injection molding industry, "Design determines 90% of the cost and quality." A standardized and rigorous design workflow is the only way to ensure a "Right First Time" outcome, minimiz

When developing an injection mold, selecting the right steel is a critical decision that balances tool life, production cost, and part quality . Different plastic resins—especially those with corrosi

This is a critical topic because Snap-fit Design is a direct reflection of a mold maker's engineering capability. Bad snap-fit design leads to broken parts and expensive mold re-work. Technical Gu

This is a comprehensive guide to one of the most important components in modern tooling. As an experienced designer for the export market, this article refined this to focus on the Return on Investmen

How to choice proper plastic? As the senior mold designers specializing in export tooling, we recognize that Material Selection is the cornerstone of Design for Manufacturing (DFM). When working wi

I. Preface The transition from a plastic product concept to mass production is a highly complex engineering lifecycle. It encompasses product design, mold structural engineering, precision manufacturi

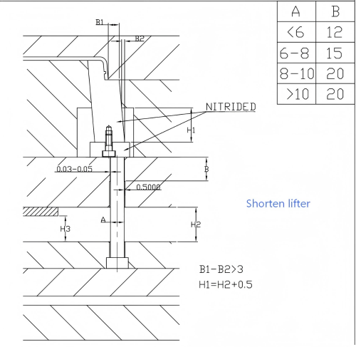
As an essential component in complex injection mold design, the Lifter (Angled Ejector) serves a dual purpose: it handles the mechanical "core pulling" for internal undercuts and facilitates the eje

As an experienced injection mold designer, we make technical principles into a professional, actionable guide. The content to emphasize Best Practices and Design Logic , making it easier for engine

Technical Standards for High-Precision Injection Mold Design 1. Surface Finishing & Gates 155. Mirror Polishing: A surface finish of 0.05μm Ra is achievable. Always leave a 0.03mm allowance befor

Stay tuned for Part 2 and Part 3 for more in-depth, industry-specific guidance. Here continue Part 2.